精益求精,匠心制造10余年专注自控草莓视频APP未满十八岁研制

服务热线021-60528933

草莓视频成人下载草莓视频APP未满十八岁10+年深厚技术沉淀,2000+客户信赖选择

郑州一家企业向草莓视频成人下载购置节流阀

返回列表 来源: 发布日期: 2021.01.07

        今年1月7号,郑州一家企业向我司购置的节流阀已经完成了货物交接。从咨询到下单生产直至发货,草莓视频成人下载两家公司合作都很愉快,特别是郑州公司的张经理,谈吐非常的幽默风趣,也一直再夸我司是一个非常不错的草莓短视频黄版厂家,没想到生产的节流阀也这么的专业。

         我司经过上十年努力,熟练运用欧美成熟的草莓视频APP未满十八岁技术,已成为集研发、制造、系统设计和工程配套一体化公司。专注从事减压器、草莓短视频黄版、单向阀、瓶阀、高压软管、卡套接头等管阀件的设计和制造。有手动调节、电动调节,和气动调节多种款式可供选择。产品广泛用于电子半导体、生物制药、实验室、供气系统、石油化工、燃气电力、焊接切割等领域。节流阀更是不在话下。

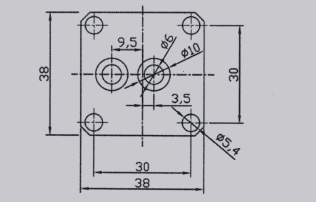
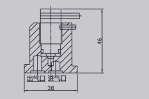
       出货节流阀的参数:材质铝,耐压1.2MPa(额定压力1MPa),整体高度要求不大于53MM(含手柄调节范围),通径≥Ø4MM,进出气口带垫圈,底部平整,不漏气。

       节流阀结构图:

草莓短视频黄版厂家               草莓短视频黄版厂家

        节流阀实物图:

草莓短视频黄版厂家


全国服务热线

021-60528933
网站地图